Philips Ballast Imprégné BSN 400 K407-ITS 230/240V 50Hz BC3-166
- Livraison gratuite à partir de 149 € TTCLivraison gratuite à partir de 123 € Hors Taxe
- Client professionnel? Achat sur facture
- Retours simplifiés sous 14 jours
Caractéristiques
|
i
La quantité pré-emballée correspond au nombre de produits pré-emballés directement par le fabricant. Si vous commandez cette quantité de produits, nous vous les livrerons dans l'emballage d'origine du fabricant.
|
Vendu à l'unité - Carton complet | 2 |
|---|
| Réf. | 180341 | |
|---|---|---|
| EAN | 8711500881571 | |
| Marque | Philips | |
| Nom du fabricant | BSN 400 K407-A2-ITS 230/240V 50Hz BC3 | |
|
i
Notre garantie tout compris est entièrement incluse dans le prix du produit et couvre à la fois les vices cachés et les défauts techniques du produit survenus avant la livraison. Selon le produit, la période de garantie est comprise entre 1 et 7 ans.
|
Lampdirect Garantie Totale | 1 an |
|
i
La "technologie" d'une lampe fait référence à la manière dont elle produit la lumière. La méthode la plus efficace et la plus populaire est la LED : les autres technologies utilisent, par exemple, l'halogène, la décharge gazeuze, la fluorescence...
|
Technologie | Accessoire |
|---|---|---|
| Adapté pour lampe | CDM, CDO, HPI, MH, SON | |
| Ballast pour lampe | CDM, CDO, HPI, MH, SON | |
| Puissance Maximale Estimée | 400 | |
|
i
Dimmable peut être traduit par variable. En effet, une ampoule dimmable permet de faire varier l’intensité de l’éclairage (gradation) grâce à un variateur. Ainsi, la gradation de la lumière permet d’économiser de l’énergie, car la consommation énergétique varie proportionnellement à la gradation.
|
Dimmable | Non dimmable |
| Nombre de lampes | 1 | |
|
i
L'éclairage avec capteur ne s'allume que lorsqu'il reçoit un signal spécifique. Cela permet de réduire les coûts énergétiques. Les capteurs (intégrés) réagissent à l'obscurité (interrupteur crépusculaire) et/ou au mouvement (détecteur de mouvement).
|
Type de capteur | Pas de détecteur |
| Référence Article | Accessory - HID Ballast |
| EOC8 | 88704400 | |
|---|---|---|
| Gamme | BSN 400 |
Description Philips Ballast Imprégné BSN 400 K407-ITS 230/240V 50Hz BC3-166
Nous seuls offrons l'expédition rapide, la plus haute qualité et une garantie de 1 an. Ne manquez pas ça et achetez dans notre boutique pour seulement 165.987801!
Philips Ballast Imprégné BSN 400 K407-ITS 230/240V 50Hz BC3-166
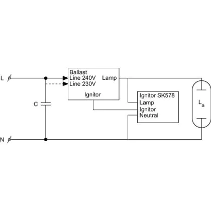
Toutes les lampes à décharge de gaz nécessitent l'utilisation de Philips Ballast Imprégné BSN 400 K407-ITS 230/240V 50Hz BC3-166, qui est un ballast pour réguler la puissance que la lampe reçoit et assure qu'il existe un niveau approprié pour lui permettre de fonctionner. Sans l'excellente performance de ce ballast, la lampe brûlerait dehors. En outre, le boîtier du produit est et protège le ballast contre tout dommage. Cet engin est conçu pour une qualité optimale et est principalement utilisé pour des applications professionnelle mais ne peux pas être utilisé en extérieur. Il y a des caractéristiques supplémentaires suivantes:
- Convient pour le type d'ampoule:
- Tension lampe: V
- Connexion A:
- Pour l'alimentation de l'ampoule: 400 W
Profitez de la garantie tout compris de chez Lampdirect.be et acheter maintenant le Philips Ballast Imprégné BSN 400 K407-ITS 230/240V 50Hz BC3-166!